Детский городок Новгород ДГ100.00
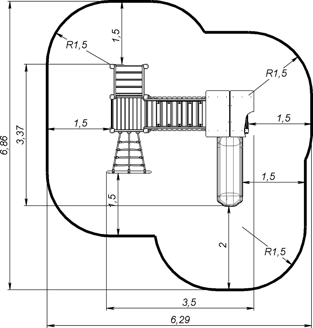
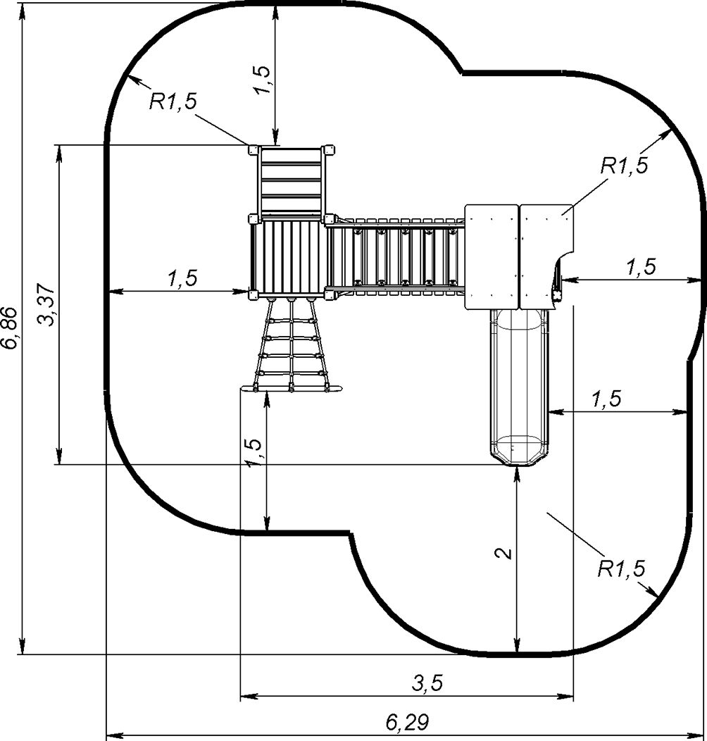
- Габариты, ДхШхВ
- 3.50 х 3.37 x 3.01 м
- Масса изделия, кг
- 346,35
- Размеры площадки для установки
- Не менее 6,86 х 6,29 м
- Возраст
- 3-7 лет
- Гарантийный срок
- 12 месяцев
- Назначенный срок службы
- 5 лет
- Сведения о сертификате
- ЕАЭС RU C-RU.HA46.B.00268/20 с 01.06.20 по 31.05.25
- Соответствие стандартам
- Данное изделие спроектировано и изготовлено согласно ТР042/2017, ГОСТ Р 52169-2012 и соответствует требованиям ТУ 28.99.32-001-09880273-2019
- Требуемая минимальная толщина синтетического покрытия
- 20 мм
Постоянное движение – естественное состояние любого ребенка. Детские городки - это именно то место, где ребенок получает необходимую нагрузку, дышит свежим воздухом и активно проводит время. Они наполнены разнообразными элементами, которые побуждают маленьких непосед прыгать, лазать, подтягиваться, карабкаться вверх и спускаться вниз. Каждый элемент городка ориентирован на тренировку и развитие различных навыков малыша, способствует не только физическому, но и умственному развитию ребенка. Ребенок учится взаимодействовать с другими детьми, строить отношения и познает правила поведения в обществе.
- Деревянный каркас состоит из столбов (клееный брус) размером 92x92 мм длиной 900 мм (2 шт.), длиной 1700 мм (4 шт), длиной 2500 мм (4 шт.). Со всех сторон столба выполнен технологический паз. Столбы крепятся с помощью опорных закладных деталей под стойки (10 шт.).
- Опорные закладные для бруса представляют собой цельнометаллическую конструкцию из стальных труб диаметром не менее 42,3 мм, с толщиной стенки не менее 3,2 мм, из арматуры длиной не менее 200 мм, диаметром не менее 8 мм и площадки из стального листа толщиной не менее 5 мм. Монтаж конструкции выполняется методом бетонирования.
- Пластиковые элементы одинарного прямого открытого спуска изготовлены из линейного полиэтилена низкого давления методом ротоформования. У начала спуска установлена перекладина, за которую ребенок может держаться, когда садится на спуск для обеспечения безопасности. Спуск фиксируется на уровне земли с помощью закладной под трубу методом бетонирования.
- Перемычки, перекладины, поручень для входа (2 шт.) выполнены из металлической трубы диаметром не менее 26,8 мм, толщиной не менее 3,2 мм, длиной 706 мм.
- Деревянная лестница 900 мм выполнена из двух опорных досок под ступеньки размером 40х90 мм, шести досок-перил 40х90 мм и из четырех досок-ступенек 30х130 мм, фиксирующихся с помощью уголков 35х35 мм (8 шт.).
- Площадки (2 шт.) выполнены из опорных досок основания размером 40х140х728 мм (по 4 шт.), фиксирующихся с помощью уголков крепления к брусу (8 шт.) и досок настила 30х100 мм, соединенных c помощью бруска размером не менее 40х40 мм.
- Накладка на столб (6 шт.), панель крыши (2 шт.), фронтон крыши (4 шт.), панель боковая (3 шт.), треугольник крыши (2 шт.), панель боковая открытого спуска (2 шт.) изготовлены из влагостойкой ламинированной фанеры FOF толщиной не менее 12 мм. Кромки фанеры закруглены и шлифованы.
- Канатный подвесной мостик выполнен из канатных сеток (2 шт.), досок-перил 40х140х1690 мм (2 шт.) и ступенек 40х90х700 мм (5 шт.). Страховочная часть мостика выполнена из опорных досок основания (2 шт.) размером 40х140х1690 мм и досок настила 20х90х800 мм (13 шт.). Канат крепится к доскам с помощью пластин для крепления.
- Канатный лаз и подвесной мостик изготавливается из комбинированного шестипрядного каната диаметром не менее 16 мм, который состоит из полипропиленовых прядей, шести оцинкованных жил и усиленного центрального полипропиленового сердечника для увеличения прочности и гибкости, что позволяет использовать его для конструкций сложных форм. Материал каната устойчив к воздействию УФ-излучения, не выгорает, хорошо сопротивляется механическим воздействиям. Все соединительные элементы, используемые для плетения сеток и лазов, изготавливаются из алюминиевого сплава на автоматизированной линии. Крепление сетки лаза к закладной скобе из металлической трубы диаметром не менее 42,3 мм и толщиной не менее 2,8 мм выполняется при помощи пластиковых хомутов из стеклонаполненного полиамида, фиксирующихся болтовыми соединениями, скрытыми в конструкции хомута. На уровне земли крепление скобы осуществляется с помощью закладных из арматуры длиной не менее 300 мм, диаметром не менее 8 мм методом бетонирования.
- Панели крыши крепятся между собой при помощи металлических универсальных уголков крепления (отливка) 90° в количестве 14 шт, фиксирующихся болтовыми соединениями. Боковые панели крепятся уголками крепления к брусу (12 шт.).
- Все открытые болтовые соединения должны защищаться пластиковыми заглушками; концы болтов должны быть обрезаны и защищены травмобезопасными пластиковыми колпачками. Деревянные столбы сверху закрыты накладками на столб из фанеры.
- Все изображения печатаются износостойкими красками на UV-принтере с нанесением стилистического изображения и покрытием дополнительным финишным слоем защитного антивандального двухкомпонентного лака, который образует прочную износостойкую пленку. Готовое покрытие химически инертно, не токсично, гипоаллергенно, устойчиво к трению, царапинам, к воздействию агрессивной среды; не имеет запаха. Изображения чёткие, с глянцем, не портятся при воздействии солнечных лучей, влаги, пара, при низких и высоких температурах. Антивандальное покрытие моется, позволяет легко удалять краску, граффити, клей от объявлений. Покрытие не оказывает негативного воздействия на свойства и характеристики обработанного материала, соответствует санитарным, экологическим нормам и пожаробезопасно.
- Металлические элементы подвергаются обезжириванию, промывке, барботажу, травлению, а затем защитному оцинкованию или нанесению цинкосодержащего грунта с последующей окраской в автоматической линии. Окраска – полиэфирная порошковая с высокотемпературной сушкой. Порошковая краска имеет высокую стойкость к климатическим условиям и эстетичный внешний вид. Изделия из металла имеют плавные радиусы закругления и тщательную обработку краев.
- Все деревянные детали (столбы, доски) изготавливаются из хвойных пород дерева. Доски проходят процесс камерной сушки, рейсмусования. Для формирования столбов 92х92 мм склеиваются две доски под высоким давлением на прессе. После финишной сушки проходят калибровку и профилирование с целью получения точных геометрических форм профиля. Со всех сторон столба выполняется технологический паз для уменьшения внутреннего напряжения, равномерного выделения влаги, снижения вероятности растрескивания древесины в процессе усадки/ деформации, для безопасного крепления различных панелей, элементов. Детали пропитаны современными составами в 2 слоя и обработаны двумя слоями финишного лака, которые обеспечивают как образование лаковой пленки на поверхности, так и защиту древесины от влаги, перепадов температуры, плесени и насекомых, препятствуют выцветанию и структурному разрушению.
- На городке установлена идентификационная табличка.
Условия монтажа
Установка оборудования проводится на ровной площадке, свободной от насаждений (см. рекомендации Министерства Регионального Развития РФ от 27 декабря 2011 г. № 613 "Об утверждении Методических рекомендаций по разработке норм и правил по благоустройству территорий муниципальных образований"), в соответствии с требованиями завода-изготовителя. При монтаже и бетонировке стоек из деревянного бруса расстояние от финишного покрытия до нижней точки бруса при вертикальном расположении стойки должно быть не более 50 мм, а при наклонном расположении стоек - не более 70 мм. При нарушении требований к монтажу и установке изделий гарантийные обязательства снимаются с завода-изготовителя.


* Производитель оставляет за собой право выбора материалов, изготавливаемых комплектующих и внесения изменений в конструкцию и комплектацию изделия в целях улучшения качественных характеристик.