Детский городок Сардиния ДГ004.1
- Габариты, ДхШхВ
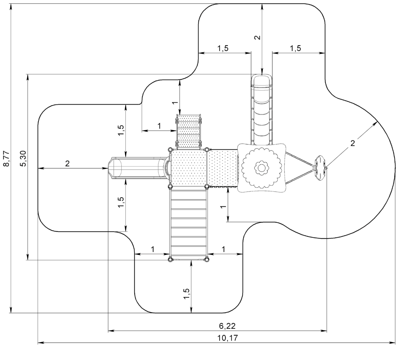
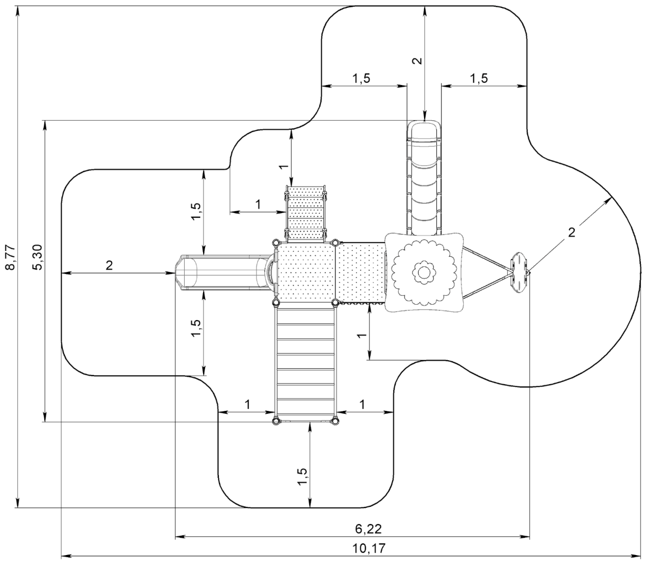
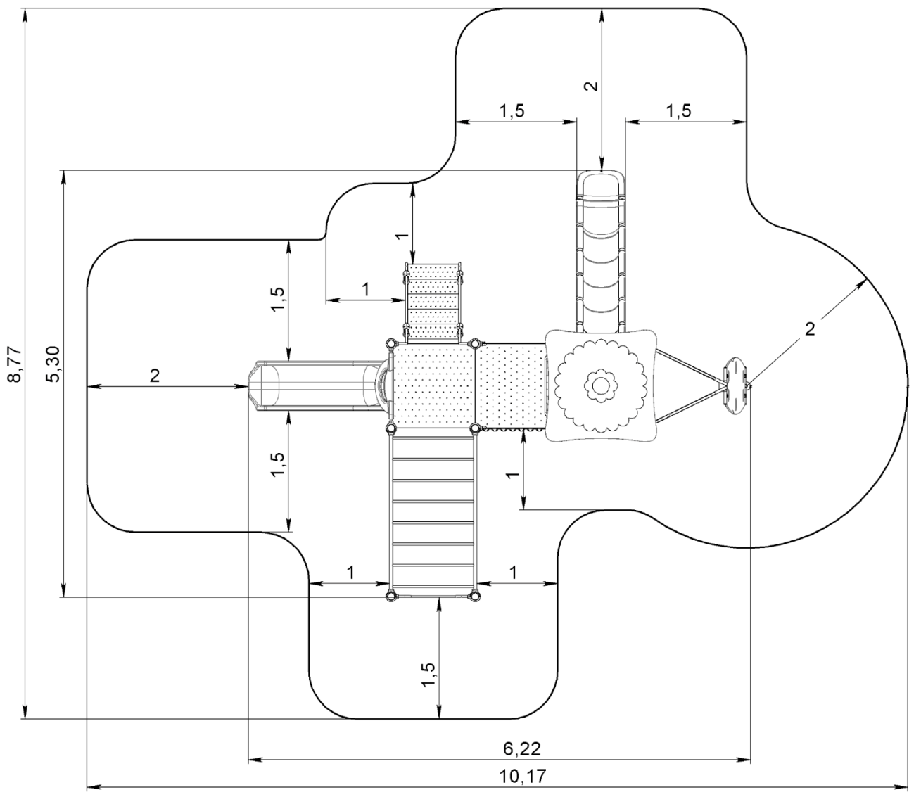
- 6.22 х 5.30 x 3.87 м
- Масса изделия, кг
- 519,53
- Размеры площадки для установки
- Не менее 10,17 х 8,77 м
- Возраст
- 7-12 лет
- Гарантийный срок
- 12 месяцев
- Назначенный срок службы
- 5 лет
- Сведения о сертификате
- ЕАЭС RU C-RU.HA46.B.00268/20 с 01.06.20 по 31.05.25
- Соответствие стандартам
- Данное изделие спроектировано и изготовлено согласно ТР042/2017, ГОСТ Р 52169-2012 и соответствует требованиям ТУ 28.99.32-001-09880273-2019
Детский городок состоит из открытых площадок и площадки закрытой 4-гранной крышей. Городок оборудован прямой лестницей для подъема, открытым прямым пластиковым спуском, открытым наборным гнутым пластиковым спуском, перемычками и перекладинами, лопингом, лесенкой-рукоходом и одним элементом “Жалюзи”.
Постоянное движение – естественное состояние любого ребенка. Детские городки - это именно то место, где ребенок получает необходимую нагрузку, дышит свежим воздухом и активно проводит время. Они наполнены разнообразными элементами, которые побуждают маленьких непосед прыгать, лазать, подтягиваться, карабкаться вверх и спускаться вниз. Каждый элемент городка ориентирован на тренировку и развитие различных навыков малыша, способствует не только физическому, но и умственному развитию ребенка. Ребенок учится взаимодействовать с другими детьми, строить отношения и познает правила поведения в обществе.
- Каркас городка выполнен из опорных стоек в количестве 10 шт. Опорная стойка представляет собой цельнометаллическую конструкцию из стальной трубы диаметром не менее 89 мм, с толщиной стенки не менее 2 мм, длиной 2300-3500 мм. Опорные стойки устанавливаются с помощью специальных закладных под трубу (из арматуры длиной не менее 200 мм, диаметром не менее 8 мм) методом бетонирования.
- Разноуровневые площадки основания выполнены из стального листа толщиной не менее 1,5 мм с противоскользящей просечкой, изготовленной методом вырубки, с подшивкой на втором этаже из ламинированной фанеры толщиной не менее 12 мм. Площадки имеют дополнительные ребра жесткости из профильной трубы в виде специальной конструкции, проваренной Х-образно по периметру. Площадки разной высоты соединяются порожками 300 мм, выполненными из трубы диаметром не менее 26,8 мм с толщиной стенки не менее 2,8 мм.
- Рукоход-лесенка 2080 мм изготовлена из металлической трубы диаметром не менее 42,3 мм, толщиной не менее 3,2 мм и труб-перемычек диаметром не менее 26,8 мм и толщиной не менее 2,8 мм. Рукоход крепиться с одной стороны к опорным стойкам с площадкой, а с другой стороны к опорным стойкам со сварной лесенкой для подъема к рукоходу.
- Пластиковые элементы открытых спусков, козырек и крыша изготовлены из линейного полиэтилена низкого давления методом ротоформования. У начала прямого спуска установлена перекладина, за которую ребенок может держаться, когда садится на спуск. Перекладина закрыта декоративным пластиковым козырьком для обеспечения безопасности. Спуск фиксируется на уровне земли с помощью закладной под трубу методом бетонирования. Элементы наборного гнутого пластикового спуска должны быть скреплены между собой алюминиевыми соединительными вставками и закреплены болтами. Составной спуск также оборудован перекладиной, побуждающей ребенка садится на спуске для обеспечения безопасности. Спуск фиксируется в середине и на уровне земли с помощью закладной под трубу методом бетонирования.
- Лестница со ступенями не менее 6 шт. изготовлена из стального листа толщиной не менее 1,5 мм с противоскользящей просечкой (метод вырубки). Лестница имеет дополнительные ребра жесткости и оборудована перилами из металлической трубы диаметром не менее 26,8 мм с толщиной стенки не менее 2,8 мм. Поперечины перил, расположенные ниже основного поручня, выполнены из трубы диаметром не менее 21,3 мм с толщиной стенки не менее 2,8 мм.
- Боковые панели, вставки перил, лопинг, декоративные элементы и элемент “Жалюзи” изготовлены из влагостойкой фанеры FOF толщиной не менее 12 мм. Кромки фанеры закруглены и шлифованы.
- Элементы к каркасу городка крепятся при помощи пластиковых хомутов из стеклонаполненного полиамида, фиксирующихся болтовыми соединениями, скрытыми в конструкции хомута. Использование стекловолоконного наполнителя увеличило прочностью, жесткость, стойкость к теплу и растрескиванию. Для надежной фиксации хомутов предусмотрены уплотнительные резиновые вставки, благодаря чему хомут плотно прилегает к трубе, не скользит в процессе эксплуатации.
- Все открытые болтовые соединения должны защищаться пластиковыми заглушками; концы болтов должны быть обрезаны и защищены травмобезопасными пластиковыми колпачками.
- В местах обрезки труб предусмотрены пластмассовые декоративные заглушки.
- Все изображения печатаются износостойкими красками на UV-принтере с нанесением стилистического изображения и покрытием дополнительным финишным слоем защитного антивандального двухкомпонентного лака, который образует прочную износостойкую пленку. Готовое покрытие химически инертно, не токсично, устойчиво к трению, царапинам, к воздействию агрессивной среды; не имеет запаха. Изображения чёткие, с глянцем, не портятся при воздействии солнечных лучей, влаги, пара, при низких и высоких температурах. Антивандальное покрытие моется, позволяет легко удалять краску, граффити, клей от объявлений. Покрытие не оказывает негативного воздействия на свойства и характеристики обработанного материала, соответствует санитарным, экологическим нормам и пожаробезопасно.
- Все металлические конструкции городка подвергаются обезжириванию, промывке, барботажу, травлению, а затем защитному оцинкованию или нанесению цинкосодержащего грунта с последующей окраской в автоматической линии. Окраска – полиэфирная порошковая с высокотемпературной сушкой. Порошковая краска имеет высокую стойкость к климатическим условиям и эстетичный внешний вид. Изделия из металла имеют плавные радиусы закругления и тщательную обработку швов. Сварные швы гладкие и исключают возможность травмирования пользователей при контакте.
- На игровой комплекс установлена идентификационная табличка
Условия монтажа
Установка оборудования проводится на ровной площадке, свободной от насаждений (см. рекомендации Министерства Регионального Развития РФ от 27 декабря 2011 г. № 613 "Об утверждении Методических рекомендаций по разработке норм и правил по благоустройству территорий муниципальных образований"), в соответствии с требованиями завода-изготовителя. При нарушении требований к монтажу и установке изделий гарантийные обязательства снимаются с завода-изготовителя.


* Производитель оставляет за собой право выбора материалов, изготавливаемых комплектующих и внесения изменений в конструкцию и комплектацию изделия в целях улучшения качественных характеристик.