Спортивный комплекс Домбай СРО001.00.1
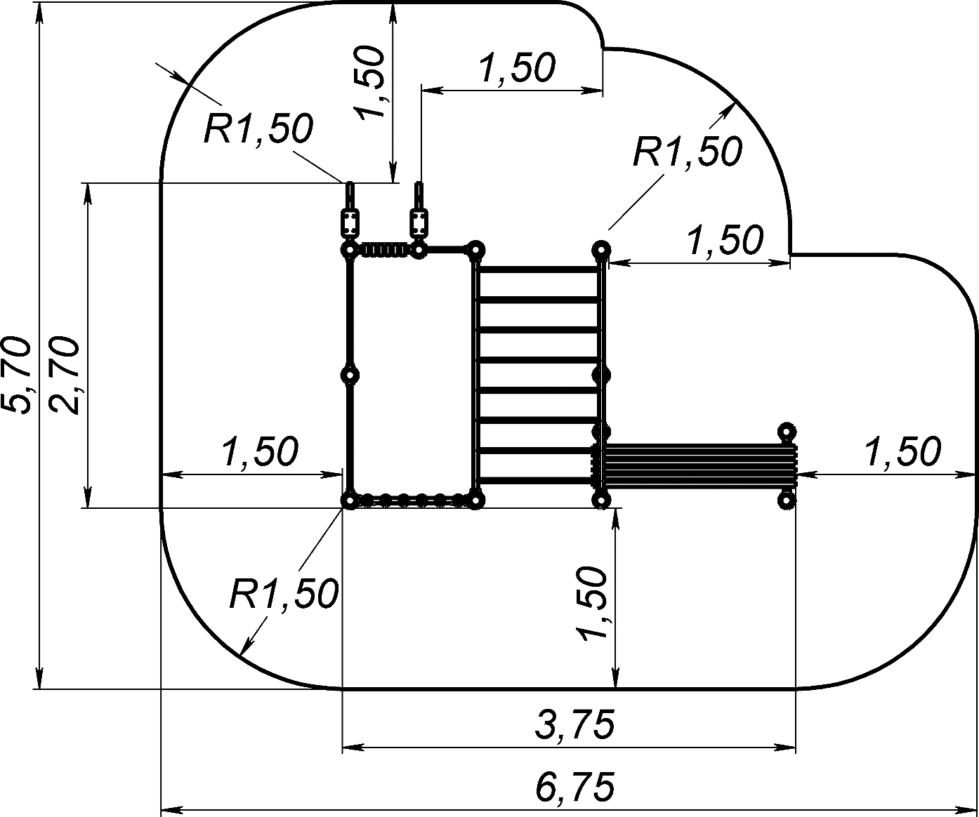
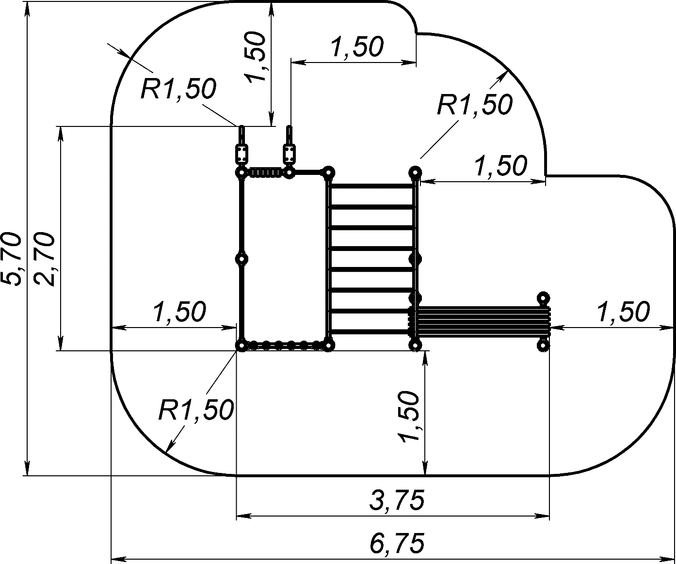
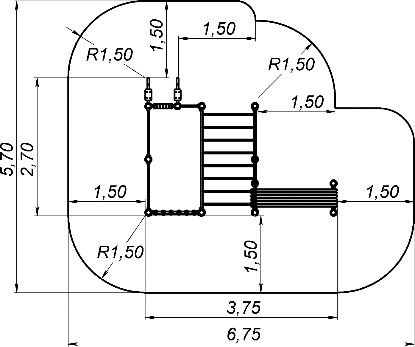
- Габариты, ДхШхВ
- 3.75 х 2.70 x 2.42 м
- Масса изделия, кг
- 234,52
- Размеры площадки для установки
- Не менее 5,7 х 6,75 м
- Гарантийный срок
- 12 месяцев
- Назначенный срок службы
- 5 лет
- Сведения о сертификате
- ЕАЭС RU C-RU.HA46.B.00268/20 с 01.06.20 по 31.05.25
- Соответствие стандартам
- Данное изделие спроектировано и изготовлено согласно ТР042/2017, ГОСТ Р 52169-2012 и соответствует требованиям ТУ 28.99.32-001-09880273-2019
Спортивный комплекс оборудован лесенкой-рукоходом, наклонной скамьей для пресса, опорами для пресса со спинкой, канатной сеткой, перекладинами и перемычками.
Workout - это новое веяние в области фитнес индустрии, основанное на упражнениях с собственным весом. Все, что необходимо для физкультуры на улице - это воркаут-площадка, оборудованная конструкциями для подтягиваний, отжиманий, выполнения стоек на руках и других физических упражнений. Для того, чтобы быть здоровым и подтянутым, не обязательно посещать спортивный зал. Теперь этого можно достичь с помощью уличных воркаут- тренировок. Workout включает в себя выполнение различных упражнений на турниках, брусьях, шведских стенках, рукоходах и других гимнастических конструкциях. Оборудование для воркаута подходит для спортивных занятий детей, подростков и взрослых людей.
- Стойки 2600 мм (6 шт.), 2300 мм (1 шт.), 1500 мм (1 шт.), 800 мм (2 шт.) выполнены из стальной трубы диаметром не менее 89 мм, с толщиной стенки не менее 2 мм. Стойки устанавливаются с помощью специальных закладных под трубу в количестве 10 шт. (из арматуры длиной не менее 200 мм, диаметром не менее 8 мм) методом бетонирования. Стойки 2600 мм (2 шт.) также выполнены из стальной трубы диаметром не менее 89 мм, с толщиной стенки не менее 2 мм. Стойки устанавливаются с помощью специальных закладных под трубу в количестве 2 шт. (из арматуры длиной не менее 500 мм, диаметром не менее 8 мм) методом бетонирования.
- Рукоход-лесенка 2080 мм изготовлен из металлической трубы диаметром не менее 42,3 мм, толщиной не менее 3,2 мм и труб-перемычек диаметром не менее 26,8 мм и толщиной не менее 2,8 мм. Рукоход крепиться к опорным стойкам.
- Наклонная скамья для пресса выполнена из шести досок размером 40х90х1700 мм с отверстиями под трубу.
- На стойки приварены опоры для пресса (2 шт.), на которые устанавливаются резиновые посадочные ручки диаметром 25,5 мм (2 шт.) и подлокотники. Спинка для пресса выполнена из шести досок размером 40х90х750 мм с отверстиями под трубу.
- Подлокотники (2 шт.), кольцо для спинки под трубу 27 мм (56 шт.) изготовлены из влагостойкой ламинированной фанеры FOF толщиной не менее 12 мм. Кромки фанеры закруглены и шлифованы.
- Канатная сетка 8*695х6*1610 мм изготавливается из комбинированного шестипрядного каната диаметром не менее 16 мм, который состоит из полипропиленовых прядей, шести оцинкованных жил и усиленного центрального полипропиленового сердечника для увеличения прочности и гибкости, что позволяет использовать его для конструкций сложных форм. Материал каната устойчив к воздействию УФ-излучения, не выгорает, хорошо сопротивляется механическим воздействиям. Все соединительные элементы, используемые для плетения сеток, изготавливаются из алюминиевого сплава на автоматизированной линии.
- Перемычки 920 мм (2 шт.) изготовлены из металлической трубы диаметром не менее 42,3 мм, толщиной не менее 3,2 мм. Перемычки 920 мм (9 шт.), 450 мм (5 шт.), 350 мм (3 шт.) выполнены из стальной трубы диаметром не менее 26,8 мм, с толщиной стенки не менее 2,8 мм.
- Перекладины, перемычки, канатная сетка крепятся к стойкам при помощи пластиковых хомутов из стеклонаполненного полиамида, фиксирующихся болтовыми соединениями, скрытыми в конструкции хомута. Использование стекловолоконного наполнителя увеличило прочностью, жесткость, стойкость к теплу и растрескиванию. Для надежной фиксации хомутов предусмотрены уплотнительные резиновые вставки, благодаря чему хомут плотно прилегает к трубе, не скользит в процессе эксплуатации. Для увеличения безопасности конструкции используются дополнительные страховочные хомуты.
- В местах обрезки труб предусмотрены круглые пластмассовые декоративные заглушки для труб. Заглушки изготовлены путем литья пластика на термопластичных автоматах.
- Все открытые болтовые соединения должны защищаться пластиковыми заглушками; концы болтов должны быть обрезаны и защищены травмобезопасными пластиковыми колпачками.
- Металлические элементы подвергаются обезжириванию, промывке, барботажу, травлению, а затем защитному оцинкованию или нанесению цинкосодержащего грунта с последующей окраской в автоматической линии. Окраска – полиэфирная порошковая с высокотемпературной сушкой. Порошковая краска имеет высокую стойкость к климатическим условиям и эстетичный внешний вид. Изделия из металла имеют плавные радиусы закругления и тщательную обработку краев и швов. Сварные швы гладкие и исключают возможность травмирования пользователей при контакте.
- Все деревянные детали (доски) изготавливаются из хвойных пород дерева. Доски проходят процесс камерной сушки, рейсмусования. После финишной сушки проходят калибровку и профилирование с целью получения точных геометрических форм профиля. Со всех сторон столба выполняется технологический паз для уменьшения внутреннего напряжения, равномерного выделения влаги, снижения вероятности растрескивания древесины в процессе усадки/ деформации, для безопасного крепления различных панелей, элементов. Детали пропитаны современными составами в 2 слоя и обработаны двумя слоями финишного лака, которые обеспечивают как образование лаковой пленки на поверхности, так и защиту древесины от влаги, перепадов температуры, плесени и насекомых, препятствуют выцветанию и структурному разрушению.
- На изделие установлена идентификационная табличка.
Условия монтажа
Установка оборудования проводится на ровной площадке, свободной от насаждений (см. рекомендации Министерства Регионального Развития РФ от 27 декабря 2011 г. № 613 "Об утверждении Методических рекомендаций по разработке норм и правил по благоустройству территорий муниципальных образований"), в соответствии с требованиями завода-изготовителя. При нарушении требований к монтажу и установке изделий гарантийные обязательства снимаются с завода-изготовителя.

* Производитель оставляет за собой право выбора материалов, изготавливаемых комплектующих и внесения изменений в конструкцию и комплектацию изделия в целях улучшения качественных характеристик.
Готовые проекты площадок с товаром Спортивный комплекс Домбай СРО001.00.1